Thang máy gia đình đang trở thành một tiện ích không thể thiếu trong các căn hộ chung cư và nhà riêng hiện nay. Tuy nhiên, để lựa chọn được thang máy phù hợp, ngoài các yếu tố như chất lượng, giá cả, thương hiệu thì kích thước thang máy gia đình cũng là một yếu tố quan trọng cần được quan tâm. Bài viết này sẽ cung cấp cho bạn thông tin về kích thước thang máy gia đình nhỏ nhất hiện nay, bao gồm 3 loại thang máy gia đình 250Kg, 320Kg, 450Kg.

Chúng tôi sẽ tìm hiểu về các yếu tố ảnh hưởng đến kích thước thang máy, các tiêu chuẩn kích thước thang máy gia đình theo quy định, thông số kỹ thuật và kích thước cabin, cửa và các bộ phận khác của từng loại thang máy, cùng với số lượng người và trọng lượng tối đa được hỗ trợ bởi thang máy.
Tìm hiểu về kích thước thang máy gia đình
1. Các yếu tố ảnh hưởng đến kích thước thang máy gia đình:
● Kích thước thang máy phải phù hợp với diện tích không gian lắp đặt thang máy để đảm bảo an toàn khi sử dụng.
● Kích thước thang máy phải đủ để chứa số lượng người sử dụng thang máy một cách thoải mái và tiện nghi.
● Kích thước thang máy phải đáp ứng trọng lượng tối đa được hỗ trợ để đảm bảo an toàn khi sử dụng.
● Kích thước thang máy phải đảm bảo mức độ tiện nghi và thoải mái khi sử dụng để đáp ứng nhu cầu của người sử dụng.

2. Các tiêu chuẩn kích thước thang máy gia đình theo quy định:
● Theo tiêu chuẩn TCVN 8831:2011, kích thước tối thiểu của thang máy gia đình phải đảm bảo đường kính cửa tối thiểu là 700mm, kích thước cabin tối thiểu là 1100mm x 1400mm và chiều cao tối thiểu của cabin là 2000mm.
● Tiêu chuẩn kích thước thang máy gia đình theo quy định của các cơ quan chức năng dựa trên các tiêu chí về an toàn, tiện nghi, thoải mái khi sử dụng thang máy.

Tùy vào nhu cầu sử dụng, mức độ tiện nghi và tiêu chuẩn kích thước thang máy theo quy định của cơ quan chức năng, người sử dụng có thể lựa chọn kích thước thang máy phù hợp cho gia đình của mình.
Kích thước thang máy gia đình nhỏ nhất 250Kg
1. Thông số kỹ thuật:
● Tải trọng: 250Kg.
● Tốc độ: 0.4 - 1.0m/s.
● Chiều cao hành trình: 25 - 30m.
● Công suất động cơ: 1.0kW - 3kW.
● Điện áp: 220V/380V.
● Số lượng người: 2-3 người.
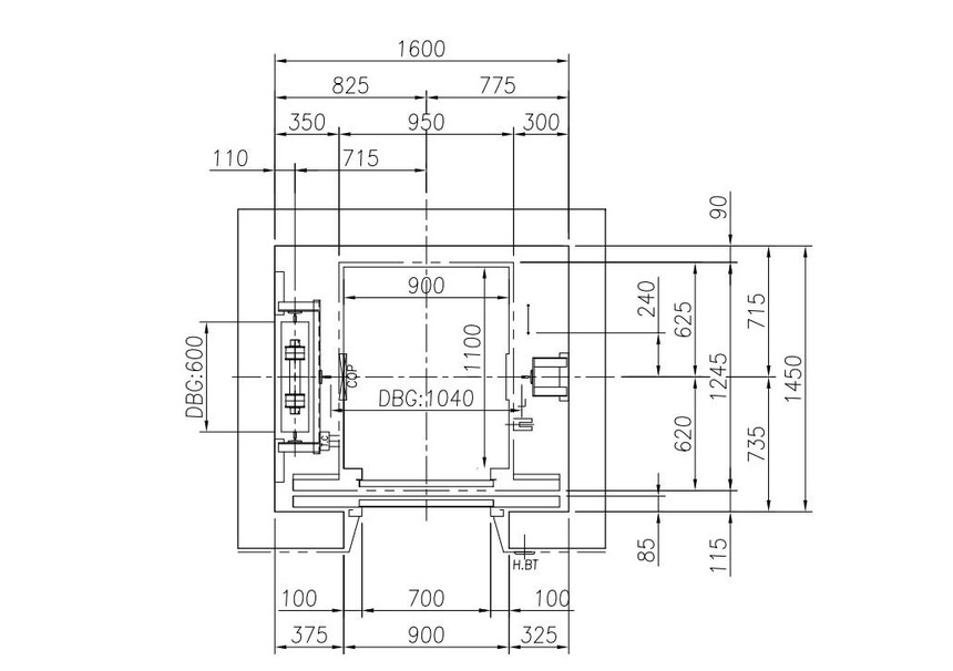
2. Kích thước hố thang và cabin:
● Kích thước hố thang: 1600mm x 1450mm.
● Chiều cao hố PIT: 400mm - 1400mm.
● Chiều cao tầng trên cùng OH: 2300mm - 3750mm
● Kích thước cửa: 700mm x 2000mm.
● Kích thước cabin: 900mm x 1100mm x 2100mm.
● Các bộ phận khác của thang máy như cột, thanh treo, động cơ... thiết kế để phù hợp với kích thước cabin và trọng tải của thang máy.

Thang máy gia đình nhỏ nhất với trọng tải 250Kg có kích thước cabin là 800mm x 850mm và chiều cao cabin là 2100mm. Thang máy này có thể chứa được 2-3 người và hỗ trợ trọng lượng tối đa là 250Kg.
Kích thước thang máy gia đình nhỏ nhất 320Kg
1. Thông số kỹ thuật:
● Tải trọng: 350Kg.
● Tốc độ: 0.4 - 1.0m/s.
● Chiều cao hành trình: 25 - 30m.
● Công suất động cơ: 1.0kW - 3kW.
● Điện áp: 220V/380V.
● Số lượng người: 3-4 người.
2. Kích thước cabin và các bộ phận khác:
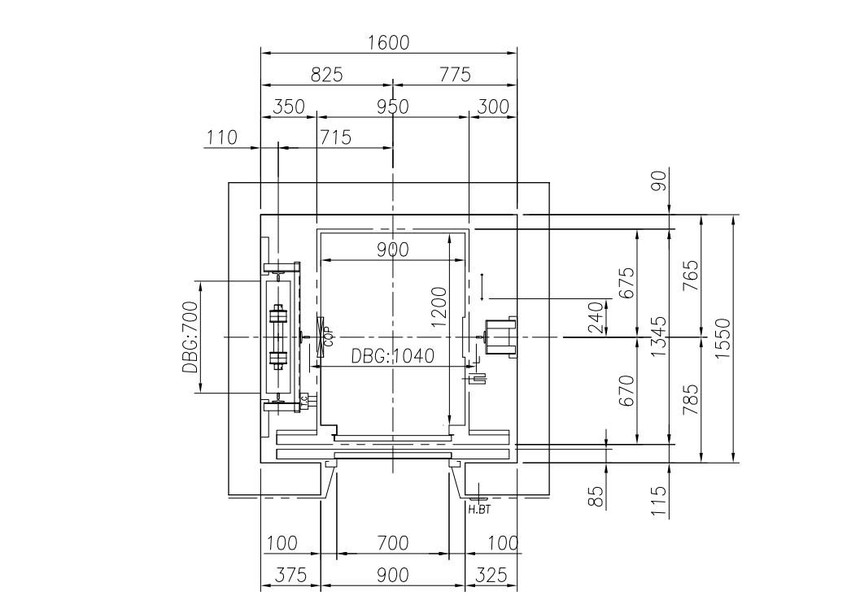
● Kích thước hố thang: 1600mm x 1550mm.
● Chiều cao hố PIT: 400mm - 1400mm.
● Chiều cao tầng trên cùng OH: 2300mm - 3750mm
● Kích thước cửa: 700mm x 2000mm.
● Kích thước cabin: 900mm x 1200mm x 2100mm.
● Các bộ phận khác của thang máy như cột, thanh treo, động cơ... thiết kế để phù hợp với kích thước cabin và trọng tải của thang máy.
Thang máy gia đình nhỏ nhất với trọng tải 320Kg có kích thước cabin là 900mm x 850mm và chiều cao cabin là 2100mm. Thang máy này có thể chứa được 3-4 người và hỗ trợ trọng lượng tối đa là 320Kg.
Kích thước thang máy gia đình nhỏ nhất 450Kg
1. Thông số kỹ thuật:
● Tải trọng: 450Kg.
● Tốc độ: 0.4 - 1.0m/s.
● Chiều cao hành trình: 25 - 30m.
● Công suất động cơ: 1.1kW - 5.5kW.
● Điện áp: 220V/380V.
● Số lượng người: 5-6 người.
2. Kích thước cabin và các bộ phận khác:
● Kích thước hố thang: 1700mm x 1650mm.
● Chiều cao hố PIT: 400mm - 1400mm.
● Chiều cao tầng trên cùng OH: 2300mm - 3750mm
● Kích thước cửa: 700mm x 2100mm.
● Kích thước cabin: 1100mm x 1300mm x 2200mm.
● Các bộ phận khác của thang máy như cột, thanh treo, động cơ... thiết kế để phù hợp với kích thước cabin và trọng tải của thang máy.

Thang máy gia đình nhỏ nhất với trọng tải 450Kg có kích thước cabin là 1200mm x 1000mm và chiều cao cabin là 2200mm. Thang máy này có thể chứa được 5-6 người và hỗ trợ trọng lượng tối đa là 450Kg.
Chọn kích thước thang máy gia đình phù hợp rất quan trọng
Việc chọn kích thước thang máy gia đình phù hợp là rất quan trọng để đảm bảo an toàn và tiện lợi cho người sử dụng. Tuy nhiên, cần phải tính toán kỹ lưỡng và lựa chọn nhà cung cấp uy tín đảm bảo chất lượng sản phẩm và dịch vụ sau bán hàng. Ngoài ra, lắp đặt thang máy cần tuân thủ các quy trình và tiêu chuẩn an toàn để đảm bảo sự an toàn cho người sử dụng.
Thông tin liên hệ
- Địa chỉ: Số 493G/493 Trương Định, quận Hoàng Mai, TP. Hà Nội
- Hotline: 0921 288 266
- Email: thangmayabc@gmail.com
- Website: https://thangmayabc.com/
- Fanpage: https://facebook.com/ThangMayABC